升威产品
SOUNDWELL PRODUCT
新品推荐
编码器
电位器
传感器
旋转开关
编码器选型表
电位器选型表
旋钮
白色家电
汽车音响\导航\空调
机器人\电子玩具\游戏手柄
耳机
医疗器材
收音机
智能家居
多媒体音响\功放
电子烟
对讲机通讯设备
智能厨具
调音台\电子琴
热销产品(内页)
广东升威电子制品有限公司
电 话:0769-38833333
传 真:0769-87930111
0769-87930222
E-mail:sw@soundwell-cn.com
地 址:广东省东莞市塘厦镇凤凰岗升威工业园
|
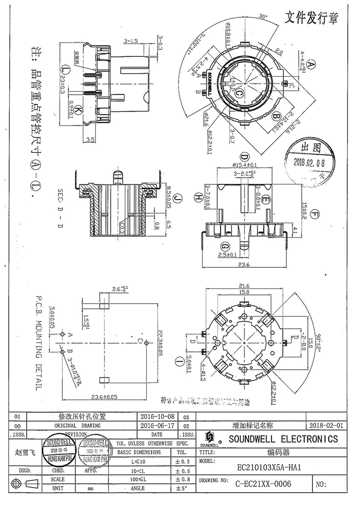
中空式编码器型号:EC210103X5A-HA1
EC21中空式编码器特点:本体厚度薄型化,长寿命, 有良好的操作手感,中空空间可附加按压开关机构。
EC21中空式编码器应用:汽车音响、汽车空调、汽车导航、家用电器等.
主要功能:调节音量、调节温度、调频、功能切换等.
EC21中空式编码器产品规格参数
主要规格:
外形尺寸:∮21mm
额定电压: DC 5V;
定位数:30个;
脉冲数:15;
工作温度:-40°C to 85°C;
旋转寿命:50000次以上;
一、MECHANICAL CHARACTERISTIC 机械特性
1、 Detent Torque 定位点力矩 :70±50gf.cm/150±50gf.cm
2、Number and position of detent定位点数及位置:30点定位(间隔角度 12°±3°)
3、Shaft wobble 轴摆动:0.2 mm MAX
4、Shaft play in rotational wobble 轴的回转方向摆动:2° MAX
二、ELECTRICAL CHARACTERISTIC 电气特性
1、Resolution 分解能力 :15个脉冲/360°
2、Phase difference 相位差:≥5 ms
3、Rated voltage 额定电压: DC 5V
4、Insulation Resistance 绝缘电阻:10MΩ 1 Minute at DC 110V
5、Dielectric Voltage 耐电压:1 Minute at AC 110V
三、ENDURANCE CHARACTERISTIC 耐久特性
1、Rotational life 回转寿命:50,000 cycles Min
Note:In this catalog,if some parame ters lr drawings are different from the "Approval
sheet",it's subject to the "Approval sheet".
注明:如说明书与承认书规格参数、图面有异,均以承认书为准。

如上为EC21中空式编码器规格书仅供参考,如有其它需求,可咨询升威电子右侧客服


- 广东升威电子制品有限公司
升威电话:0769-38833333(25线)
固定电话:18219276011
传真号码:0769-87930111 0769-87930222
邮 箱:2850818308@qq.com
地 址:广东省东莞市塘厦镇凤凰岗升威工业园




