|
EC10旋转编码器产品介绍
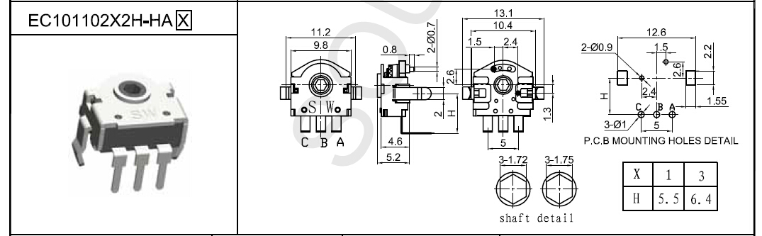
编码器型号:EC101102X2HD
编码器名称:EC10旋转编码器
编码器特点:体积小,使用寿命长,设计为贯通轴型
编码器应用:主要适用于鼠标、耳机、收音机、电子玩具、电子烟或其它电子产品;
主要功能 :翻页、调频、调光、调音量、速度调节、温度调节、菜单选择等
EC10旋转编码器产品规格参数
外形尺寸:10mm
额定功率:DC5V 10mA;
定位数:12个/24个
脉冲数:6/12
工作温度:-20℃~80℃;
旋转寿命:100000次以上;
一、MECHANICAL CHARACTERISTIC 机械特性
1、 Rotational torque 旋转力矩 :5~100gf.cm
2、Total ratational angle 全回转角度:360°
3、Number and position of detent 定位点数:12 detents ,24 detents
二、ELECTRICAL CHARACTERISTIC 电气特性
1、Resolution 分解能力 :6 pulses,12 pulses
2、Phase difference 相位差:△T≥0.08T
3、Rating power 额定功率 :DC5V 10mA
4、Insulation resistance 绝缘阻抗:10MΩ 1 Minute at DC 50V
5、Dielectric voltage 耐电压:1 Minute at AC 50V
6、Chattering 振荡 :≤3ms
7、Bounce 突跳:≤2ms
三、ENDURANCE CHARACTERISTIC 耐久特性
1、Rotational life 旋转寿命:100,000 cycles Min
Note:In this catalog,if some parame ters lr drawings are different from the "Approval sheet",it's subject to the "Approval sheet".
注明:如说明书与承认书规格参数、图面有异,均以承认书为准。

EC10旋转编码器产品规格书,如需更清晰资料,联系右侧升威电子客服索取!



- 广东升威电子制品有限公司
升威电话:0769-38833333(25线)
固定电话:18219276011
传真号码:0769-87930111 0769-87930222
邮 箱:2850818308@qq.com
地 址:广东省东莞市塘厦镇凤凰岗升威工业园




