|
EC11编码开关产品介绍
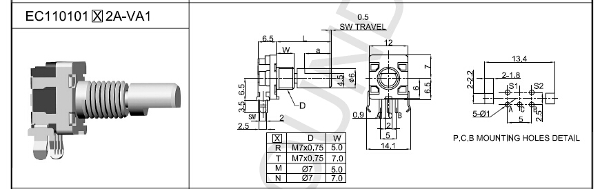
编码开关型号:EC110101M2A-VA1
EC11编码开关特点:体积小,密封性好,可靠性高,有多种不同的规格供选择。
EC11编码开关应用:汽车音响、汽车空调、汽车导航、调音台、多媒体音响\功放,家用电器等
主要功能:调频、调节音量、调节温度 、功能切换等。
EC11编码开关产品规格参数
主要规格:
外形尺寸:∮11mm
额定电压: DC 5V;
定位数:16/20/30/32个;
脉冲数:8/15/16/20;
工作温度:-40°C to 85°C;
旋转寿命:30000次以上;
一、MECHANICAL CHARACTERISTIC 机械特性
1、Detent Torque 定位点力矩 :20-200gf.cm
2、Number and position of detent定位点数及位置:16/20/30/32点定位
3、Shaft wobble 轴摆动:0.2 mm MAX
4、Shaft play in rotational wobble 轴的回转方向摆动:2° MAX
二、ELECTRICAL CHARACTERISTIC 电气特性
1、Resolution 分解能力 :8/16/15/20个脉冲/360°
2、Phase difference 相位差:≥3ms
3、Rated voltage 额定电压: DC 5V
4、Insulation Resistance 绝缘电阻:10MΩ 1 Minute at DC 250V
5、Dielectric Voltage 耐电压:1 Minute at AC 50V
三、ENDURANCE CHARACTERISTIC 耐久特性
1、Rotational life 回转寿命:30,000 cycles Min
Note: In this catalog, if some parameters or drawings are different from the "Approval
sheet", it's subject to the "Approval sheet".
注明:如说明书与承认书规格参数、图面有异,均以承认书为准。

下图为EC11编码开关可选择的脉冲数和定位数

如下为EC11编码开关规格书,仅供参考,编码开关的手柄型状及手柄尺寸均可按客户需求来定制,如有不明,可咨询升威电子右侧客服。




- 广东升威电子制品有限公司
升威电话:0769-38833333(25线)
固定电话:18219276011
传真号码:0769-87930111 0769-87930222
邮 箱:2850818308@qq.com
地 址:广东省东莞市塘厦镇凤凰岗升威工业园




