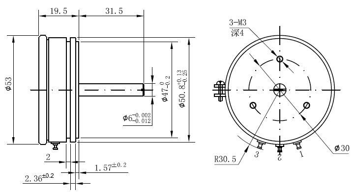
MODEL:WDD50D-SOO
Feature:
Precision linear
Long mechanical life
High resolution
Small dynamic noise
Convenient and reliable installation

| Electrical | |
|---|---|
| Standard Resistance | 1KΩ~10KΩ |
| Resistance Tolerance | Standard ±15%; Precision ±1% |
| Independent Linearity | Standard±1%; Precision±0.1% |
| Electrical Travel | 350°±2° |
| Power Rating | 2W(70℃) |
| Resist.TemperatureCoefficient | ±400p.pm./℃ |
| Insulation Resistance | ≥1000MΩ(500VD.C) |
| Dielectric Stregth | 1000V(AC.RMS)1min |
| Output smoothness | ≤±0.1% |
| Resolution | Infinite |
| Mechanical | |
|---|---|
| Mechanical Travel | 360°(endless) |
| Starting Torque | ≤10*10-⁴N.M |
| Max Rotation Speed | 600U/min |
| Environmental | |
|---|---|
| Life Expectancy | 20*10⁶cycle |
| Operating Temperature | —55℃~+125℃ |
| Vibration | 15G 2000Hz |
| Shock | 50G 11ms |
Special Specifications Available
Shaft Length,Diameter,stopper,special electrical travel,Special machining on the shaft.



