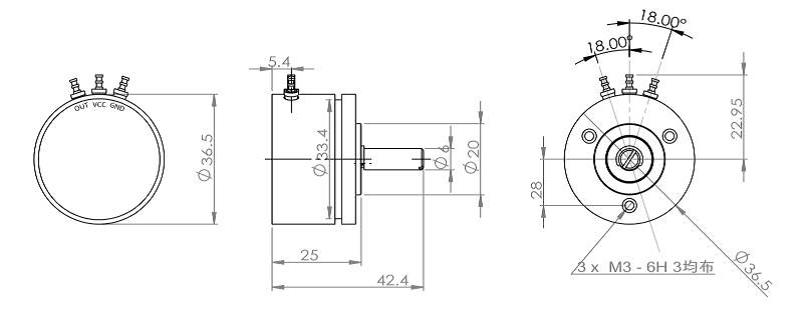
型号:WDC-35
特点:
● 非接触数字电位器;
● 内部机械核心部件采用不锈钢进口双轴承,精度高,寿命长;
● 任意电气角度选择,可定制;
● 出线方式:侧面端子引出。
应用:风向标,机械手臂,汽车油门踏板,汽车方向盘角度检测,挖掘机机臂转角,叉车转向,游戏手臂,及各种角度检测的设备。


| 出线端名称 | 出线连接 |
|---|---|
| VCC | 15-35DCV 电源+ |
| GND | 15-35DCV 电源- |
| OUT | 4-20mA 电流输出端 |
| 一般参数 | |||
|---|---|---|---|
| 机械转角 | 360°(连续) | 机械寿命 | 理论上无限(取决于轴承的寿命) |
| 工作温度 | -30℃~ +80℃ | 质量 | 约60g |
| 储存温度 | -30℃~ +80℃ | 外壳 | 铝合金,表面阳极氧化 |
| 旋转力矩 | <5mN·m | 轴 | 不锈钢 |
| 防护等级 | IP54 | 轴承 | 2 组精密滚珠轴承 |
| 电气性能 | |||
|---|---|---|---|
| 电气转角 | 360° | 工作电压 | 15~35V |
| 独立线性公差 | 标准级:0.3%;精密级:0.2%;超精密级0.1% | 输出信号 | 4~20mA |
| 分辨率 | 4096(12位)最小刻度为0.088°,16384(位)最小刻度为0.022°可选 | 最大工作电流 | <35mA |
| 始末端输出偏差 | <0.05mA | 负载电阻 | <500Ω |
| 可选特性 | |||
|---|---|---|---|
| 输出范围 | 标准输出0~100% (可自定义) | 特殊力矩 | 可提供<0.5mN·m 的轻力矩产品或<30mN·m 的高力矩产品。 |
| 输出方向 | 标准为顺时针信号输出,也可设置为逆时针信号输出。 | 特殊防护等级 | 可提供IP54 以上的特殊防护等级产品。 |
| 其他输出方式 | 电流如:4~20mA 输出;电压如:0~5V,PWM 输出等。 | ||
| 特殊轴型 | 可根据客户要求做特殊轴长,特殊轴径、或轴上特殊加工。 | ||



