升威动态
Granville dynamic
广东升威电子制品有限公司
电 话:0769-38833333
传 真:0769-87930111
0769-87930222
E-mail:sw@soundwell-cn.com
地 址:广东省东莞市塘厦镇凤凰岗升威工业园
改变电位器阻值可以调节音量吗?
调节音量的电位器是增大阻值顺时针旋转还是逆时针旋转呢?阻值调节和这个有必然的关系吗?电位器的阻值是通过逆时针旋转才能增加还是顺时针才能增大呢?
对于音量电位器来说,音量的调节一般是通过改变旋转电位器的阻值来控制。

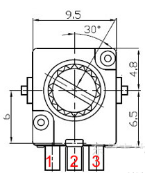
上图是一款9mm带开关立式型的电位器,以A向为例。如果接1、2两脚那么,这个电路中此电位器是往3的方向旋转阻值会增大,往1的方向选择阻值变小。这种接线方法是比较常见的。也有接2、3脚的客人,如果是2、3脚接线,则会变成往3的方向旋转阻值会减小,往1的方向选择阻值会增大。
所以,阻值的调节会跟电位器的接法有着密切的关系。不同的音量电位器接法会有不同的阻值调节方式。接法会决定这个电位器增大阻值是顺时针旋转还是逆时针旋转。
广东升威电子专业生产电位器27年,电位器型号全,有各种类型的调节音量的功放音响电位器可选择,一向视品质如生命的多们,经过全员的努力,多次被客户评为“优秀供应商”,成为同行中的佼佼者!找电位器生产厂家就找升威电子.





















.jpg)
.jpg)
.jpg)



