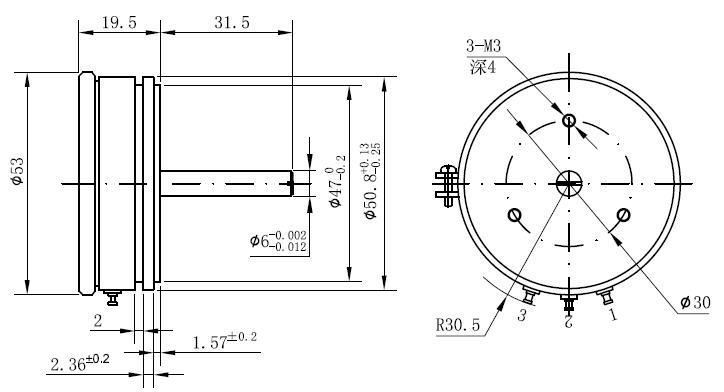
MODEL:WDC-35
Feature:
•Non-contact Digital Potentiometer
•The internal mechanical core components are made of imported stainless steel with dual bearings, featuring high precision and long service life.
•Electrical angle selection is available at will, and customization is possible.
•Outlet method: Side terminals for connection.
Applications: Wind vane, mechanical arm, car accelerator pedal, car steering wheel angle detection, excavator arm rotation angle, forklift steering, game arm, and various angle detection devices.


| Outlet Name | Outlet Connection |
|---|---|
| VCC | 15-35V DC power supply + |
| GND | 15-35V DC power supply - |
| OUT | 4-20mA current output terminal |
| General Parameters | |||
|---|---|---|---|
| Mechanical Travel | 360°(endless) | Mechanical life | Theoretically infinite (depending on bearing life) |
| Working temperature | -30℃~ +80℃ | Weight | About 60g |
| Storage temperature | -30℃~ +80℃ | Shell | Aluminum alloy, surface anodizing |
| Rotational torque | <5mN·m | Shaft | Stainless steel |
| Protection level | IP54 | Bearings | Two sets of precision ball bearings |
| Electrical Performance | |||
|---|---|---|---|
| Electrical angle | 360° | Working voltage | 15~35V |
| Independent linear tolerance | Standard grade: 0.3%; Precision grade: 0.2%; Ultra-precision grade: 0.1% | Output signal | 4~20mA |
| Resolution | The minimum graduation of 4096 (12-bit) is 0.088°, and the minimum graduation of 16384 (bits) is 0.022°, with both options available. | Maximum working current | <35mA |
| Start-end output deviation | <0.05mA | Load resistance | <500Ω |
| Optional Features | |||
|---|---|---|---|
| Electrical Part | Mechanical Part | ||
| Output range | Standard output: 0 ~100% (customizable) | Special torque | We can offer products with a light torque of <0.5mN·m or high torque of <30mN·m. |
| Output direction | The standard is for clockwise signal output, and it can also be set to counterclockwise signal output. | Special protection level | Special products with protection level of IP54 or above can be provided. |
| Other output methods | Current is such as: 4~20mA output; Voltage is such as: 0~5V, PWM output, etc. | ||
| Special shaft type | Special shaft lengths, special shaft diameters, or special processing on the shaft can be provided according to customer requirements. | ||



