型号:RF3603
特点:
● 线性精度高
● 机械寿命长
● 分辨率高
● 动态噪声小
● 安装方便可靠
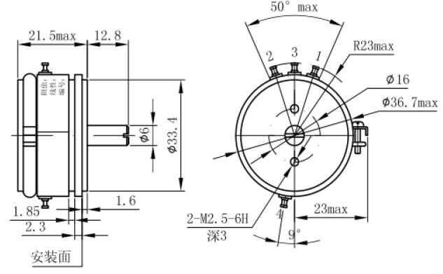
1、3号端接输入
2号端(绿色)接输出
| 电气性能 | |
|---|---|
| 标准阻值 | 1KΩ、2KΩ、3KΩ、5KΩ、10KΩ |
| 阻值公差 | ±15% |
| 独立线性度 | 0.5%、1% |
| 理论电气转角 | 156° × 2 |
| 额定功率 | 2W(70℃) |
| 电阻温度系数 | ≤±0.04%/℃ |
| 绝缘电阻 | ≥1000MΩ(500VD.C) |
| 绝缘耐压 | 1000V(AC.RMS)1min |
| 输出平滑性 | ≤±0.1% |
| 机械性能 | |
|---|---|
| 机械转角 | 360°(连续) |
| 启动力矩 | ≤10*10-⁴N.M |
| 环境特性 | |
|---|---|
| 机械寿命 | 50*10⁶周 |
| 使用环境 | —55℃~+125℃ |
| 振动 | 15G 2000Hz |
| 冲击 | 50G 11ms |
特殊规格可以定制
出轴长度,直径,止档,特殊角度,轴特殊加工等可以根据客户要求定制。



