型号:RF5001
特点:
● 线性精度高
● 机械寿命长
● 分辨率高
● 动态噪声小
● 安装方便可靠

| 电气性能 | |
|---|---|
| 标准阻值 | 1KΩ~10KΩ |
| 阻值公差 | 标准级 ±15%;精密级±1% |
| 独立线性度 | 标准级±1%;精密级±0.1% |
| 理论电气转角 | 350°±2° |
| 额定功率 | 2W(70℃) |
| 电阻温度系数 | ±400p.pm./℃ |
| 绝缘电阻 | ≥1000MΩ(500VD.C) |
| 绝缘耐压 | 1000V(AC.RMS)1min |
| 输出平滑性 | ≤±0.1% |
| 分辨率 | 无限 |
| 机械性能 | |
|---|---|
| 机械转角 | 360°(连续) |
| 启动力矩 | ≤10*10-⁴N.M |
| 最大旋转角度 | 600U/min |
| 环境特性 | |
|---|---|
| 机械寿命 | 20*10⁶周 |
| 使用环境 | —55℃~+125℃ |
| 振动 | 15G 2000Hz |
| 冲击 | 50G 11ms |
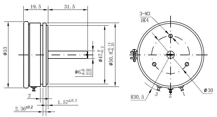
特殊规格可以定制
出轴长度,直径,止档,特殊角度,轴特殊加工等可以根据客户要求定制。



