升威动态
Granville dynamic
广东升威电子制品有限公司
电 话:0769-38833333
传 真:0769-87930111
0769-87930222
E-mail:sw@soundwell-cn.com
地 址:广东省东莞市塘厦镇凤凰岗升威工业园
旋转编码器输出电路图
旋转编码器的几种输出电路图及工作原理可参考下文所述,源自互联网智慧网友总结,我们引鉴过来,希望看到此总结能对您的作业做个参考.
1、NPN电压输出和NPN集电极开路输出线路
此线路仅有一个NPN型晶体管和一个上拉电阻组成,因此当晶体管处于静态时,输出电压是电源电压,它在电路上类似于TTL逻辑,因而可以与之兼容。在有输出时,晶体管饱和,输出转为0VDC的低电平,反之由零跳向正电压。
随着电缆长度、传递的脉冲频率、及负载的增加,这种线路形式所受的影响随之增加。因此要达到理想的使用效果,应该对这些影响加以考虑。集电极开路的线路取消了上拉电阻。这种方式晶体管的集电极与编码器电源的反馈线是互不相干的,因而可以获得与旋转编码器电压不同的电流输出信号。
.jpg)
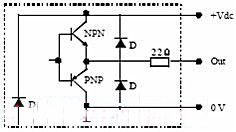
2、PNP和PNP集电极开路线路
该线路与NPN线路是相同,主要的差别是晶体管,它是PNP型,其发射极强制接到正电压,如果有电阻的话,电阻是下拉型的,连接到输出与零伏之间。
.jpg)
.jpg)
3、推挽式线路
这种线路用于提高线路的性能,使之高于前述各种线路。事实上,NPN电压输出线路的主要局限性是因为它们使用了电阻,在晶体管关闭时表现出比晶体管高得多的阻抗,为克服些这缺点,在推挽式线路中额外接入了另一个晶体管,这样无论是正方向还是零方向变换,输出都是低阻抗。推挽式线路提高了频率与特性,有利于更长的线路数据传输,即使是高速率时也是如此。信号饱和的电平仍然保持较低,但与上述的逻辑相比,有时较高。任何情况下推挽式线路也都可应用于NPN或PNP线路的接收器。
.jpg)
4、长线驱动器线路
当运行环境需要随电气干扰或编码器与接收系统之间存在很长
的距离时,可采用长线驱动器线路。数据的发送和接收在两个互补
的通道中进行,所以干扰受到抑制(干扰是由电缆或相邻设备引起的)。这种干扰可看成“共模干扰”。此外,总线驱动器的发送和接收都是以差动方式进行的,或者说互补的发送通道上是电压的差。因此对共模干扰它不是第三者,这种传送方式在采用DC5V系统时可认为与RS422兼容;在特殊芯片时,电源可达DC24V,可以在恶劣的条件(电缆长,干扰强烈等)下使用。
.jpg)
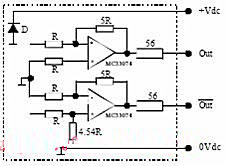
5、差动线路
差动线路用在具有正弦长线驱动器的模拟编码器中,这时,要求信号的传送不受干扰。像长线驱动器线路那样,对于数字信号产生两个相位相差180度的信号。这种线路特意设置了120欧姆的特有线路阻抗,它与接收器的输入电阻相平衡,而接收器必须有相等的负载阻抗。通常,在互补信号之间并联连,120欧姆的终端电阻就达到了这种目的。
.jpg)
广东升威电子制品有限公司专业生产旋转编码器27年,多年的研发制造经验,旋转编码器型号全,产品广泛应用于汽车电子、家庭音响、多媒体、调音台、对讲机、电子玩具、家用电、航天航空、军工等领域。找旋转编码器厂家就找升威电子.





















.jpg)
.jpg)
.jpg)



