升威动态
Granville dynamic
广东升威电子制品有限公司
电 话:0769-38833333
传 真:0769-87930111
0769-87930222
E-mail:sw@soundwell-cn.com
地 址:广东省东莞市塘厦镇凤凰岗升威工业园
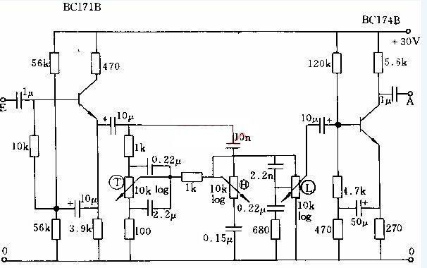
【图】音量电位器接线图,怎么判断电位器是否接正确了呢?
不少朋友纠结音量电位器怎么接?今天升威电子给大家提供一张音量电位器的接线图,希望可以帮到大家。

如上图所示:图中电路包括一个阻坑变换极,用来使具有很低阻坑的音调调节网络与前级输出相匹配。在输入晶体管射极处接入的网络中有两个电位器,用于分别调节高低音,而其余的电位器则用于调节音量、第二级的电压放大倍数约为20,输入电阻大于100K欧,输出电阻约为5K欧。
那么,怎么判断电位器是否接正确了呢?朋友们可以通过如下测试来判断。
1、旋动旋钮音量增减均匀(顺时针音量增,逆时针音量减);
2、旋动过程扬声器不应产生“沙沙……”、“咯咯……”噪音,否则是电位器不良;
3、音量旋到最小,应该听不到任何声音(俗称:声音关死了);
4、电位器旋动手感良好,有均匀的阻力。
广东升威电子制品有限公司,25年老牌电位器生产厂家,产品通过TS16949 ISO9001 ISO14001品质认证,安全可靠,值得信赖!





















.jpg)
.jpg)
.jpg)



