|
EC12编码器带螺纹轴套产品介绍
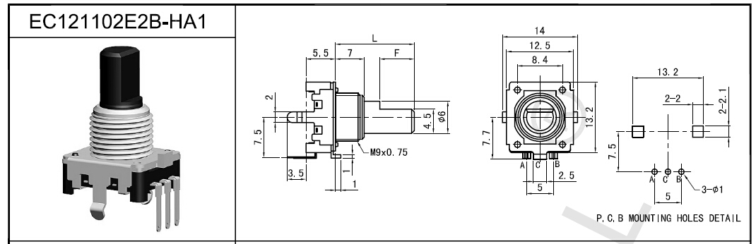
编码器型号:EC121102E2B-HA1
编码器名称:ec12编码器
EC12编码器特点:体积较小、密封性好、性能稳定,绝缘轴柄,可以带按压开关功能,有多种不同的规格可选择。
EC12编码器应用:汽车音响,汽车导航、调音台、多媒体音响\功放,家用电器等
主要功能:调频、调节音量、调节温度 、功能选择等。
EC12编码器产品规格参数
主要规格:
外形尺寸:12.5mm
额定电压: DC 5V;
定位数: 12/18/24/30个;
脉冲冲数:12/15/18;
工作温度:-40°C to 85°C;
旋转寿命:30000次以上;
开关寿命:20000次以上;
一、MECHANICAL CHARACTERISTIC 机械特性
1、 Detent Torque 定位点力矩 :30-200gf.cm
2、Number and position of detent 定位点数及位置:12/18/24/30 点定位
3、Switch circuit and number of pulse开关电路、接点数:单极单投(推ON)
4、Travel of switch 开关移动量:0.5 ±0.3 mm
5、Operating force of switch 开关作动力:450±200gf
6、Shaft wobble (mm p-p) 轴摆动 :1.0 x L / 30mm p-p 以下(L:安装长度).
二、ELECTRICAL CHARACTERISTIC 电气特性
1、Resolution 分解能力 : 12/15/18个脉冲/360°
2、Phase difference 相位差:≥4 ms
3、Rated voltage 额定电压: DC 5V
4、Insulation Resistance 绝缘电阻:10MΩ 1 Minute at DC 50V
5、Dielectric Voltage 耐电压:1 Minute at AC 50V
三、ENDURANCE CHARACTERISTIC 耐久特性
1、Rotational life 回转寿命:30,000 cycles Min
2、Push operating life 按压寿命:20,000 cycles Min
Note: In this catalog, if some parameters or drawings are different from the "Approval
sheet", it's subject to the "Approval sheet".
注明:如说明书与承认书规格参数、图面有异,均以承认书为准

EC12编码器带螺纹轴套规格书可参考如下,关于编码器手柄型状,手柄尺寸有多种选择,如有不明,可咨询升威电子右侧客服!


- 广东升威电子制品有限公司
升威电话:0769-38833333(25线)
固定电话:18219276011
传真号码:0769-87930111 0769-87930222
邮 箱:2850818308@qq.com
地 址:广东省东莞市塘厦镇凤凰岗升威工业园




