升威产品
SOUNDWELL PRODUCT
新品推荐
编码器选型表
电位器选型表
开关选型表
编码器
电位器
-
旋转电位器
- RS19薄型阀门旋钮电位器
- RA09电位器金属轴系列
- RA09电位器开关塑胶轴系列
- RA08电位器金属轴系列
- RD16电位器金属轴系列
- RD12电位器金属轴系列
- RD24电位器金属轴系列
- RD24电位器塑胶轴系列
- RB12电位器塑胶轴系列
- RB16电位器塑胶轴系列
- RC10电位器旋钮操作型系列
- RC15电位器旋钮操作型系列
- RC1003旋钮操作型系列
- RA11电位器塑胶轴系列
- RA13电位器金属轴系列
- RA14电位器塑胶轴系列
- RA18电位器塑胶轴系列
- RA26电位器塑胶轴系列
- PT10电位器贯通轴系列
- PT15电位器贯通轴系列
- PT16电位器贯通轴系列
- PT21电位器贯通轴系列
- PT26电位器贯通轴系列
- 磁敏电位器
- 中空电位器
- 直滑电位器
- 摇杆电位器
- 马达电位器
- 电位器开关
- 双联电位器
- 单联电位器
- 拨盘电位器
- 西班牙电位器
- 360度电位器
- 可调电位器
- 手持云台
- 大功率电位器
- 数字电位器
- 导电塑料电位器
传感器
旋转开关
模组定制
磁电光电编码器目录
旋钮
碳膜印刷
热销产品(内页)
广东升威电子制品有限公司
电 话:0769-38833333
传 真:0769-87930111
0769-87930222
E-mail:sw@soundwell-cn.com
地 址:广东省东莞市塘厦镇凤凰岗升威工业园
|
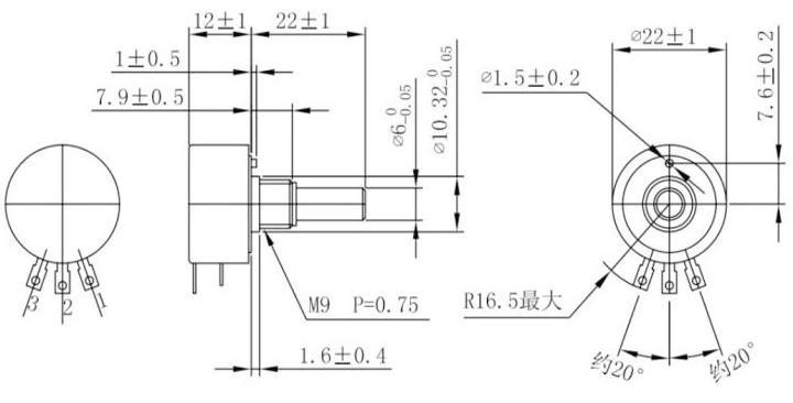
型号:WDD22P1-SOO
特点:
● 线性精度高
● 机械寿命长
● 分辨率高
● 动态噪声小
● 安装方便可靠
常规尺寸 /Standard Dimensions

技术参数 /General Specifications
| 电气性能 | |
|---|---|
| 标准阻值 | 1KΩ、2KΩ、5KΩ、10KΩ |
| 阻值公差 | 标准级±15%(L) ;精密级±10%(K) |
| 独立线性度 | 标准级±1.5% ;精密级±1.0% |
| 理论电气转角 | 320°±5° |
| 额定功率 | 2W |
| 电阻温度系数 | ≤±0.04%/℃ |
| 绝缘电阻 | ≥1000MΩ(1000VD.C) |
| 绝缘耐压 | 1000V(AC.RMS)1min |
| 输出平滑性 | ≤±0.1% |
| 分辨率 | 无限小 |
| 机械性能 | |
|---|---|
| 机械转角 | 360°(连续) |
| 启动力矩 | ≤10*10﹣⁴N.M |
| 环境特性 | |
|---|---|
| 机械寿命 | 20*10⁶周 |
| 使用环境 | —55℃~+125℃ |
特殊规格可以定制
出轴长度,直径,止档,特殊角度,轴特殊加工等可以根据客户要求定制。

- 广东升威电子制品有限公司
升威电话:0769-38833333(25线)
固定电话:18219276011
传真号码:0769-87930111 0769-87930222
邮 箱:2850818308@qq.com
地 址:广东省东莞市塘厦镇凤凰岗升威工业园




