升威产品
SOUNDWELL PRODUCT
新品推荐
编码器选型表
电位器选型表
开关选型表
编码器
电位器
-
旋转电位器
- RS19薄型阀门旋钮电位器
- RA09电位器金属轴系列
- RA09电位器开关塑胶轴系列
- RA08电位器金属轴系列
- RD16电位器金属轴系列
- RD12电位器金属轴系列
- RD24电位器金属轴系列
- RD24电位器塑胶轴系列
- RB12电位器塑胶轴系列
- RB16电位器塑胶轴系列
- RC10电位器旋钮操作型系列
- RC15电位器旋钮操作型系列
- RC1003旋钮操作型系列
- RA11电位器塑胶轴系列
- RA13电位器金属轴系列
- RA14电位器塑胶轴系列
- RA18电位器塑胶轴系列
- RA26电位器塑胶轴系列
- PT10电位器贯通轴系列
- PT15电位器贯通轴系列
- PT16电位器贯通轴系列
- PT21电位器贯通轴系列
- PT26电位器贯通轴系列
- 磁敏电位器
- 中空电位器
- 直滑电位器
- 摇杆电位器
- 马达电位器
- 电位器开关
- 双联电位器
- 单联电位器
- 拨盘电位器
- 西班牙电位器
- 360度电位器
- 可调电位器
- 手持云台
- 大功率电位器
- 数字电位器
- 导电塑料电位器
传感器
旋转开关
模组定制
磁电光电编码器目录
旋钮
碳膜印刷
热销产品(内页)
广东升威电子制品有限公司
电 话:0769-38833333
传 真:0769-87930111
0769-87930222
E-mail:sw@soundwell-cn.com
地 址:广东省东莞市塘厦镇凤凰岗升威工业园
|
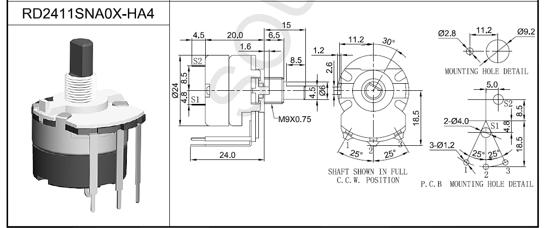
RD24单联电位器开关产品介绍
单联电位器型号:RD2411SNA0X-HA4
电位器名称:RD24单联电位器开关
RD24单联电位器开关特点:塑胶绝缘轴柄,旋转手感柔和,性能稳定,开关可以做高负载
RD24单联电位器开关应用:音响功放、热水器及其它家用电器等
主要功能:调节音量、调温、调压、调光、调速等作用,开关功能起电源通断用。
RD24单联电位器开关产品规格参数
主要规格:外形尺寸:24.5mm
旋转角度:300°±10°及320°±10°两种
额定功率:0.5W
最高使用电压:AC 150V
开关承受负载:AC 220V 3A / AC125V 1A
工作温度: -10℃ ~70℃;
开关接触阻抗:≤0.5Ω
旋转寿命:10,000次以上;
开关寿命:10,000次以上;
一、MECHANICAL CHARACTERISTIC 机械特性
1、Rotational Torque 旋转力矩 :20~200gf.cm
2、Total Rotational Angle 旋转角度:300°±10°及320°±10°
3、Shaft Stop Strength 止档强度:≥6Kgf.cm
4、Shaft Wobble (mm p-p) 轴摆动 :Within(0.7xL/20)mm p-p
二、ELECTRICAL CHARACTERISTIC 电气特性
1、Total Resistance Range 总阻及误差 :1KΩ<R<1MΩ,±20%;1KΩ≥R or R≥1MΩ,±30%
2、Resistance Taper 电阻特性曲线 :A/B/C
3、Rating Power 额定功率:0.5W
4、Max. Operating Voltage 最大工作电压 :150V AC
5、Residual Resistance残留电阻:R1,2≤10Ω;R2,3≤20Ω
5、Insulation Resistance 绝缘电阻:100MΩ 1 Minute at DC 500V
6、Dielectric Voltage 耐电压:1 Minute at AC 500V
三、ENDURANCE CHARACTERISTIC 耐久特性
1、Rotational Life 旋转寿命:10,000 cycles Min
Note: In this catalog, if some parameters or drawings are different from the "Approval sheet", it's subject to the "Approval sheet".
注明:如说明书与承认书规格参数、图面有异,均以承认书为准。

RD24单联电位器规格书可参考如下,电位器手柄型状,手柄尺寸多选,如有不明,可咨询升威电子右侧客服!


- 广东升威电子制品有限公司
升威电话:0769-38833333(25线)
固定电话:18219276011
传真号码:0769-87930111 0769-87930222
邮 箱:2850818308@qq.com
地 址:广东省东莞市塘厦镇凤凰岗升威工业园




